zk1959
Profesjonalista-
Postów
545 -
Dołączył
-
Ostatnia wizyta
-
Wygrane w rankingu
31
Typ zawartości
Profile
Forum
Wydarzenia
Treść opublikowana przez zk1959
-
forumowy projekt opensource systemu pirotechnicznego
zk1959 odpowiedział(a) na zk1959 temat w Forumowy system pirotechniczny
It looks great. When Avula publishes the documentation of your system as amended you will be able to realize your plan. -
forumowy projekt opensource systemu pirotechnicznego
zk1959 odpowiedział(a) na zk1959 temat w Forumowy system pirotechniczny
Avula, a próbowałeś z zapalnikami ? Obwody testowe, które bocznikują tranzystory IRF540 (one nie są załączane podczas testu) , są tak zbalansowane, że przez diody w PC815 płynie ok. 8mA. Ale żeby zadziałał zapalnik musi przez niego popłynąć min. 500mA, i tyle na pewno popłynąć po otwarciu IRF540. -
forumowy projekt opensource systemu pirotechnicznego
zk1959 odpowiedział(a) na zk1959 temat w Forumowy system pirotechniczny
Zmiany. Chyba już ostatnie. Obsługa przycisków tak jak poprzednio, plus przewijanie wyników testu przyciskiem żółtym (w sumie 3 naciśnięcia). www.pyrobox.com.pl/forumfajerwerki_system/knk1301/KNK1301L48A-200-16 v20190523.zip Mile byłby widziany filmik, wtedy zrobię ewentualne poprawki manualno-wizualne. -
forumowy projekt opensource systemu pirotechnicznego
zk1959 odpowiedział(a) na zk1959 temat w Forumowy system pirotechniczny
Dzięki Avula Także cię bardzo cieszę z naszej owocnej współpracy przy tym projekcie. Nie wiem czy teraz, po zmianie funkcji przycisków, uda się zrobić wyświetlanie wyników testu w trzech krokach. Wyczyszczę cały kod programu, dopracuję funkcjonalność i podeślę ostateczny HEX. Pozdrawiam. -
forumowy projekt opensource systemu pirotechnicznego
zk1959 odpowiedział(a) na zk1959 temat w Forumowy system pirotechniczny
Kolejna wersja www.pyrobox.com.pl/forumfajerwerki_system/knk1301/KNK1301L48A-200-16 v20190522-3.zip PS. obwód C5 nie testuje (poprzednio podałem błędnie C4) - tranzystor w PC815 chyba się nie otwiera, obwód C1 chyba jest ciągle zamknięty - tranzystor w PC815 jest stale otwarty -
forumowy projekt opensource systemu pirotechnicznego
zk1959 odpowiedział(a) na zk1959 temat w Forumowy system pirotechniczny
Najbardziej obiecująca okazała się metoda testowania zastosowana dla 2 sekcji więc ją zmodyfikowałem. Testuj podłączając tylko 1 zapalnik. www.pyrobox.com.pl/forumfajerwerki_system/knk1301/KNK1301L48A-200-16 v20190522-2.zip PS. sprawdź obwód testowy C4 zwłaszcza PC815, bo wygląda na to że on wcale nie testuje -
forumowy projekt opensource systemu pirotechnicznego
zk1959 odpowiedział(a) na zk1959 temat w Forumowy system pirotechniczny
Avula, przetestuj proszę każdą sekcję, bo dla każdej sekcji procedura testu trochę się różni www.pyrobox.com.pl/forumfajerwerki_system/knk1301/KNK1301L48A-200-16 v20190522.zip -
forumowy projekt opensource systemu pirotechnicznego
zk1959 odpowiedział(a) na zk1959 temat w Forumowy system pirotechniczny
Ostatni raz na dzisiaj www.pyrobox.com.pl/forumfajerwerki_system/knk1301/KNK1301L48A-200-16 v20190521-3.zip -
forumowy projekt opensource systemu pirotechnicznego
zk1959 odpowiedział(a) na zk1959 temat w Forumowy system pirotechniczny
Kolejna wersja HEX www.pyrobox.com.pl/forumfajerwerki_system/knk1301/KNK1301L48A-200-16 v20190521-2.zip -
forumowy projekt opensource systemu pirotechnicznego
zk1959 odpowiedział(a) na zk1959 temat w Forumowy system pirotechniczny
Avula, trzeba zrobić drobną zmianę na PCB. Odłącz pin 15 układu 74HC165 od GND. Podłącz ten pin do pin 20 (PD.6) w ATmega. Wgraj nowy HEX www.pyrobox.com.pl/forumfajerwerki_system/knk1301/KNK1301L48A-200-16 v20190521.zip -
forumowy projekt opensource systemu pirotechnicznego
zk1959 odpowiedział(a) na zk1959 temat w Forumowy system pirotechniczny
potrzebuję więcej danych, przetestuj proszę ten HEX www.pyrobox.com.pl/forumfajerwerki_system/knk1301/KNK1301L48A-200-16 v20190520-2.zip dane z 74hc165 będą teraz wyświetlane bez interpretacji zapisz które zapalniki usuwasz do testu i co zostało wyświetlone na LCD -
forumowy projekt opensource systemu pirotechnicznego
zk1959 odpowiedział(a) na zk1959 temat w Forumowy system pirotechniczny
Dzięki Avula. Czy tylko 8, 16 .. 48 obwód wpływa na wynik testu? Wyjmowałeś inne zapalniki oprócz 23 i 47 co widać na filmach ? -
forumowy projekt opensource systemu pirotechnicznego
zk1959 odpowiedział(a) na zk1959 temat w Forumowy system pirotechniczny
Avula, kolejne zmiany ! Teraz obsługa modułu przyciskami wygląda następująco: 1/ ustawianie adresu zostało tak jak do tej pory przycisk zielony otwiera menu / przycisk żółty zwiększa adres / przycisk zielony zatwierdza adres przechodzimy to dwa razy, osobno dla ADDR1 i ADDR2 2/ zmieniły się zasady uruchamiania i przeglądania testu przycisk niebieski otwiera menu test / przycisk żółty wybiera tryb pracy READ lub SHOW / przycisk niebieski zatwierdza wybór i następnie przycisk niebieski uruchamia odpowiednio procedurę test-read lub test-show Może zadziała. Zmieniony plik HEX do pobrania www.pyrobox.com.pl/forumfajerwerki_system/knk1301/KNK1301L48A-200-16 v20190520.zip -
forumowy projekt opensource systemu pirotechnicznego
zk1959 odpowiedział(a) na zk1959 temat w Forumowy system pirotechniczny
Ok, to znaczy, że już czytamy dane z 74HC165. Muszę się teraz zastanowić gdzie popełniłem błąd w interpretacji odczytanych wyników. PS. Sprawdź proszę, jakie wyniki tego testu z komputera są jednocześnie pokazywane na LCD. -
forumowy projekt opensource systemu pirotechnicznego
zk1959 odpowiedział(a) na zk1959 temat w Forumowy system pirotechniczny
Avula, przetestuj ten HEX www.pyrobox.com.pl/forumfajerwerki_system/knk1301/KNK1301L48A-200-16 v20190519.zip Zmieniłem metodę odczytu 74HC165 oraz przerobiłem po raz kolejny sposób odczytu przycisku TEST. Może to coś zmieni -
forumowy projekt opensource systemu pirotechnicznego
zk1959 odpowiedział(a) na zk1959 temat w Forumowy system pirotechniczny
wlutuj kawałki drutu sorry ale za chwilę teraz jadę w teren i będę w kontakcie dopiero jutro -
forumowy projekt opensource systemu pirotechnicznego
zk1959 odpowiedział(a) na zk1959 temat w Forumowy system pirotechniczny
nic nie dawaj zamiast R4 i R5 PC815 pracuje prawidłowo usuń z pcb wszystkie elementy przekreślone na czerwono na rysunku we wpisie z 6 maja -
forumowy projekt opensource systemu pirotechnicznego
zk1959 odpowiedział(a) na zk1959 temat w Forumowy system pirotechniczny
Avula, czy usunąłeś z płytki KNK1301 rezystory podciągające R4 i R5 przy portach PC0 i PC1 ATmega ?! -
forumowy projekt opensource systemu pirotechnicznego
zk1959 odpowiedział(a) na zk1959 temat w Forumowy system pirotechniczny
Dziwne, bo jednocześnie testowane są wszystkie z ośmiu kanałów. Test odbywa się tak, że najpierw napięcie +48V podawane jest na H1 i poprzez 74HC165 odczytywane są jednocześnie wyniki z wszystkich ośmiu PC815 (C1..C8), następnie na H2 i znowu odczytywane osiem wyników, i tak dalej aż do H6. W ten sposób czytane są wyniki testów kolejno z kanałów 1..8, 9..16 itd. do 41..48. Więc zachowanie diod LED, które zaobserwowałeś jest dziwne i nie logiczne. Spróbuję wydłużyć czasy testów i przerw pomiędzy nimi, ale boję się żeby nie przeciążyć zapalników. PS. Diody zapalają się tylko w obwodach zamkniętych zapalnikami ? -
forumowy projekt opensource systemu pirotechnicznego
zk1959 odpowiedział(a) na zk1959 temat w Forumowy system pirotechniczny
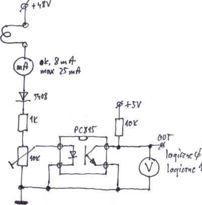
Avula, mamy 3 problemy do rozwiązania: 1/ nie wiemy dlaczego moduł resetuje się po manualnym uruchomieniu testu, 2/ nie wiemy czy układy PC815 wykrywają zapalniki, 3/ i prawdopodobnie układ 74HC165 nie odczytuje wartości z układów PC815. Ad.1/ Próbowałem już różnych sposobów wywołania procedury testu w programie ale problem się powtarza. W tym pliku HEX wpisałem wizualną cześć tej procedury bezpośrednio do zdarzenia obsługi przycisku http://www.pyrobox.com.pl/forumfajerwerki_system/knk1301/KNK1301L48A-200-16 v20190517.zip Test nie będzie wykonywany tylko zasymulowany więc wyniki będą przypadkowe, ale zobaczymy czy zadziała. Ad.2/ Zbuduj układ jak na rysunku i wyreguluj go tak aby spełniał następujące warunki: - bez zapalnika, na wyjściu OUT musi być napięcie powyżej 2.4V czyli logiczne "1" - z zapalnikiem, na wyjściu ma być mniej niż 0.8V czyli logiczne "0", a w obwodzie zapalnika ma płynąć prąd ok. 8mA, a jeśli się nie da tyle ustawić to max 25mA. Ad.3/ Chyba muszę jednak zbudować układ testowy i dopracować czytanie danych z 74HC165. Spróbuję jakoś to zrobić w przyszłym tygodniu. -
forumowy projekt opensource systemu pirotechnicznego
zk1959 odpowiedział(a) na zk1959 temat w Forumowy system pirotechniczny
ręce opadają wracamy do poprzedniego układu przycisków, zmieniłem sposób wywoływania żółtym przyciskiem procedury test www.pyrobox.com.pl/forumfajerwerki_system/knk1301/KNK1301L48A-200-16 v20190516-2.zip wyjmij jeden układ PC815 i zewrzyj drutem w jego podstawce piny 3-4, chce się dowiedzieć czy HEX dobrze czyta dane z układu HC165 -
forumowy projekt opensource systemu pirotechnicznego
zk1959 odpowiedział(a) na zk1959 temat w Forumowy system pirotechniczny
zrobiłem, na próbę, pewne zmiany w HEX teraz pierwsze naciśnięcie przycisku niebieskiego uruchomi test kolejne trzy naciśnięcia pokażą wyniki testu, a ostatnie piąte zamknie procedurę przycisk żółty będzie teraz, tak jak dawniej, ustawiał tylko adres www.pyrobox.com.pl/forumfajerwerki_system/knk1301/KNK1301L48A-200-16 v20190516.zip ale najpierw Avula zrób testy według wskazówek z poprzedniego wpisu, bo to da mi trochę dodatkowych informacji do analizy -
forumowy projekt opensource systemu pirotechnicznego
zk1959 odpowiedział(a) na zk1959 temat w Forumowy system pirotechniczny
Cześć Avula. Film nr 1. 1/ czy na tym filmie przycisk zielony (MENU) nacisnąłeś tylko jeden raz ? to powoduje wejście w tryb MENU, a wtedy naciśnięcie przycisku żółtego (NEXT) powinno zwiększać wartość adresu w tym czasie napis ADDR- powinien być cały czas widoczny, a on znika, więc nie jest dla mnie jasne co się de facto dzieje proszę nie naciskaj tego przycisku przed testem, po prostu włącz moduł i naciśnij żółty przycisk (TEST) 2/ po naciśnięciu przycisku żółtego (TEST) powinien pokazać się napis MODULE DISARMED (i pokazał się), potem TEST STARTED/PLEASE WAIT, następnie TESTING SEC #1/2/3, potem TEST FINISHED, a na koniec standardowo MOD# po poleceniu wyświetlenia MODULE DISARMED w procedurze testu są zwykłe polecenia WAIT i RESET WATCHDOG, wielokrotnie używane w programie, a które w tym jednym przypadku nie wiadomo dla czego powodują reset modułu ?! spróbuję to jakoś obejść ale będzie to trudne 3/ po naciśnięciu przycisku niebieskiego (SHOW) nie widzimy wyniku testu bo test nie został wykonany i zmienne programu, które powinny zawierać dane z testu są "puste" Film nr 2 1/ trudno ocenić czy test został przeprowadzony czy nie, czy tylko wynik został źle zinterpretowany podepnij kilka zapalników i zrób test 2/ po zrobieniu testu z komputera, niezależnie od jego wyniku, naciśnij przycisk niebieski (SHOW) i sprawdź czy zostanie pokazany wynik testu (ciągi znaków 0 i 1), będzie wtedy wiadomo czy test jest wykonywany PS. Sorry, nie obejrzałem filmu nr 2 do końca, a widać na nim, że test jest wykonywany. Co prawda nie pojawiają się napisy TESTING SEC #1/2/3 bo test przebiega bardzo szybko, w sumie 46 msec (muszę więc jakoś inaczej pokazać że test trwa) ale przynajmniej wiemy, że w przypadku testu z komputera nie następuje reset modułu w trakcie procedury testowania, więc wina leży gdzieś w obsłudze przycisku żółtego (TEST). Tak jak poprzednio ! -
forumowy projekt opensource systemu pirotechnicznego
zk1959 odpowiedział(a) na zk1959 temat w Forumowy system pirotechniczny
Avula, musisz zbudować układ jak na rysunku poniżej. Sorry, ale raczej go namazałem niż narysowałem. Prąd 8mA wyreguluj podłączając kolejno do wejść C1..C8 układ złożony z diody i zapalnika jak po lewej stronie rysunku (zastępuje jeden kanał matrycy wyjściowej KNK1301). Może trzeba będzie jeszcze podregulować te brami po podłączeniu układu do płytki KNK1301, ale raczej nie. Docelowo podłącz wejścia C1..C8 do wyjść J7..J14 na płytce KNK1301. Resztę wejść/wyjść układu podłącz do płytki KNK1301 zgodnie z opisami na rysunku PC0, PC1, PD7, PD5, PA6. Plus oczywiście zasilanie 5V i 12V, oraz przycisk SW3 (ten nowy). Układ ma wszystko co potrzeba do testów (zapalników, akumulatora) więc wyrzuć wszystkie wcześniej dołączone układy do KNK1301. Nie testowałem tego układu, ale powinien działać, bo jest bardzo prosty. Problemem było zaprojektowanie układu, który jak najmniej by ingerował w moduł KNK1301. Mała liczba wolnych pinów ATmega także bardzo ograniczała możliwe rozwiązania. http://www.pyrobox.com.pl/forumfajerwerki_system/knk1301/KNK1301L48A_test_20190510.pdf -
forumowy projekt opensource systemu pirotechnicznego
zk1959 odpowiedział(a) na zk1959 temat w Forumowy system pirotechniczny
Witam po bardzo długiej przerwie. Poniżej materiały, na które czeka przede wszystkim Avula. Schemat adaptacji modułu KNK1301 http://www.pyrobox.com.pl/forumfajerwerki_system/knk1301/KNK1301L48A_test_20190506.pdf oraz nowy wsad HEX dla ATmega16 http://www.pyrobox.com.pl/forumfajerwerki_system/knk1301/KNK1301L48A-200-16 v20190506.zip Przepraszam, że tak długo to trwało, ale jak to mówią, starość nie radość Przykro mi bardzo Avula, ale niestety nie jestem w stanie zlutować prototypu do testów, więc musisz poradzić sobie sam. Układ jest stosunkowo prosty, więc na pewno dasz radę. PS. 1/ Elementy przekreślone na czerwono nie muszą być użyte. 2/ Z płytki modułu trzeba wylutować rezystory R4 i R5 przy portach PC0 i PC1.
